Взрывозащищенные электродвигатели — ВА (АИМ) 280S8
Конструктивные исполнения по способу монтажа: IM1081 ВА(АИМ) 280S8 - размеры и схема

Тип двигателя | Число полюсов | Габаритные размеры, мм | Установочные и присоединительные размеры, мм | ||||||||||
|---|---|---|---|---|---|---|---|---|---|---|---|---|---|
l30 | h31 | b31 | d30 | l1 | l10 | b10 | h | d10 | d1 | b1 | h5 | ||
BA 280 S | 2 | 1140 | 780 | 465 | 625 | 110 | 368 | 457 | 280 | 24 | 70 | 20 | 74.5 |
BA 280 S | 4, 6, 8 | 1170 | 780 | 465 | 625 | 140 | 368 | 457 | 280 | 24 | 80 | 22 | 85 |
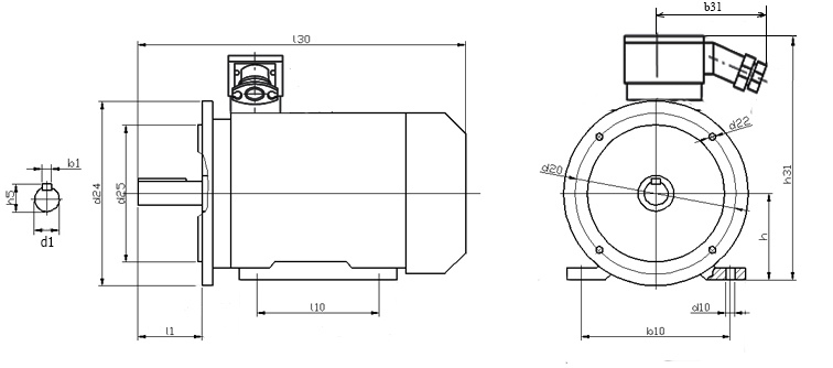
Конструктивные исполнения по способу монтажа: IM2081, IM3081 ВА(АИМ) 280S8 - размеры и схема

Тип двигателя | Число полюсов | Габаритные размеры, мм | Установочные и присоединительные размеры, мм | |||||||||||||
|---|---|---|---|---|---|---|---|---|---|---|---|---|---|---|---|---|
l30 | h31 | b31 | d30 | l1 | l10 | b10 | h | d10 | d22 | d20 | d25 | d1 | b1 | h5 | ||
BA 280 S | 2 | 1140 | 780 | 465 | 625 | 110 | 368 | 457 | 280 | 24 | 24 | 625 | 550 | 70 | 20 | 74.5 |
BA 280 S | 4, 6, 8 | 1170 | 780 | 465 | 625 | 140 | 368 | 457 | 280 | 24 | 24 | 625 | 550 | 80 | 22 | 85 |
Описание электродвигателя ВА(АИМ) 280S8
ВА(АИМ) 280S8 – это асинхронный электрический двигатель взрывозащищенного исполнения, с классом взрывозащиты 1ExdIIBT4 (в соответствии с ГОСТ Р 51330).
Назначение двигателя
Одной из опасностей, связанных с использованием электрооборудования, является возможность взрыва газа, пара или пыли вблизи устройства, являющегося потенциальным источником возгорания. Этот тип опасности возникает во многих отраслях промышленности, в частности в горнодобывающей, химической нефтехимической промышленности. По этим причинам особые требования предъявляются к производственному оборудованию и системам, используемым в вышеупомянутых областях. В частности, это относится к двигателям и другим компонентам приводной системы. Представленные двигатели во взрывозащищенной версии разработаны в соответствии с инструкциями, описывающими различные типы защиты. Выбор двигателя, оснащенного соответствующей защитой, зависит от условий эксплуатации, определенных соответствующими стандартами.
Преимущества
Высокая надежность, низкая стоимость, широкая область применения.
Монтажное исполнение электродвигателя возможно в двух вариантах:
- Исполнение IM1081 (лапы)
- Исполнение IM2081 (лапы+фланец)
Технические характеристики
- Мощность 55.0 кВт
- Обороты 750 об/мин
- Напряжение 380 Вольт
- Вес 940 кг
- Габариты 1080x535x625 мм
Сертификат на электродвигатель ВА(АИМ) 280S8
Вся продукция имеет сертификаты системы ГОСТ.
Примечание
Буквенная аббревиатура: АИМ, ВА, ВР является отличительной маркировкой завода изготовителя и не влияет на технические параметры двигателя.

