Промышленные циркуляционные насосы типа ин-лайн (TP, TPD) — TP 50-120/2
Описание TP 50-120/2
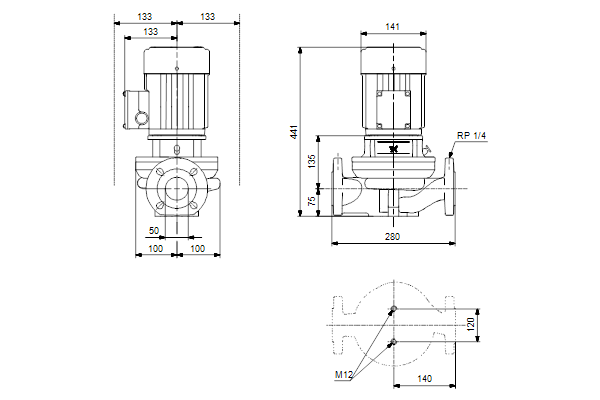
Насосы Grundfos TP, TPD – эти насосы представляют собой центробежные насосы, одноступенчатые, со стандартным двигателем и торцевым уплотнением вала. Насос и двигатель представляют собой отдельные узлы с соединенными валами. В результате эти насосы менее чувствительны к загрязнению жидкости, по сравнению с аналогичными насосами с мокрым двигателем. Оптимизированная высокоэффективная гидравлическая система, пониженное энергопотребление, высокоэффективный двигатель – вот основные характеристики циркуляционных насосов TP/TPD. Линейная конструкция позволяет снижать затраты на монтаж. Конструкция обеспечивает быструю разборку приводной части насоса в целях технического обслуживания, не снимая весь насос с трубопровода. Корпус насоса и часть привода имеют специальное покрытие для повышения коррозионной стойкости. Гидравлически и механически сбалансированный ротор продлевает срок службы двигателя и вала. Насос предназначен для перекачивания чистых, неагрессивных жидкостей, не содержащих твёрдых включений или волокон, которые могут оказывать механическое или химическое воздействие на насос.
Применение TP 50-120/2
- тепловые сети
- отопительные установки
- системы кондиционирования воздуха
- холодильные системы
- установки водоснабжения
- промышленные холодильные камеры
- и другие технологические процессы
Преимущества TP 50-120/2
- двигатели с высоким классом эффективности
- конструкция, благодаря которой можно снять двигатель или рабочее колесо без необходимости демонтажа трубопровода и корпуса
- экономное энергопотребление
- повышенная коррозионная стойкость
- длительная и надежная эксплуатация устройств
BQBE/BAQE: стандартное торцевое уплотнение для воды, не содержащей гликоль, от 0 °С до +120 °С
BQQE: Стандартное торцевое уплотнение для воды с содержанием гликоля от -25 до +120 °С


