Вихревые насосы (CT, CTM, T, TP) — T 100/A
T 61 T 100/A - размеры и схема

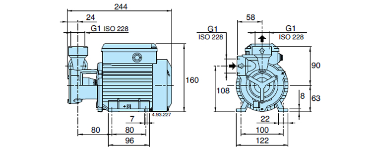
T, TP T 100/A - размеры и схема

ТИП |
ПАТРУБКИ |
РАЗМЕРЫ, мм |
ВЕС, кг | |||||
|---|---|---|---|---|---|---|---|---|
DN1 |
DN2 |
a |
f |
h2 |
h3 |
l2 | ||
T 70/A B-T 70/A |
G 1 |
G 1 |
24 |
278 |
100 |
121 |
63 |
11,2 |
TP 78/A B-TP 78/A |
G 1/2 |
G 1/2 |
22 |
276 |
80 |
127 |
56 |
8,2 |
T, TP T 100/A - размеры и схема

ТИП |
ПАТРУБКИ |
РАЗМЕРЫ, мм |
ВЕС, кг | |||||||||||||||
|---|---|---|---|---|---|---|---|---|---|---|---|---|---|---|---|---|---|---|
DN1 |
DN2 |
a |
f |
h1 |
h2 |
h3 |
h4 |
m1 |
m2 |
n1 |
n2 |
b |
s |
l2 |
w |
g | ||
T 76E |
G 1 1/4 |
G 1 1/4 |
26 |
338 |
80 |
112 |
136 |
203 |
117 |
100 |
155 |
125 |
30 |
9 |
80 |
105 |
10 |
18,4 |
T 100/A |
G 1 1/4 |
G 1 1/4 |
32 |
410 |
90 |
130 |
161 |
226 |
152 |
125 |
180 |
140 |
40 |
9,5 |
95 |
121 |
12 |
32,5 |
T 125/A |
G 1 1/4 |
G 1 1/4 |
32 |
470 |
90 |
155 |
170 |
226 |
152 |
125 |
180 |
140 |
40 |
9,5 |
90 |
195 |
12 |
39,5 |
TP 80E |
G 3/4 |
G 3/4 |
27 |
332 |
80 |
90 |
135 |
203 |
117 |
100 |
155 |
125 |
30 |
9 |
60 |
104 |
10 |
16,4 |
TP 100/A |
G 3/4 |
G 3/4 |
27 |
387 |
80 |
100 |
142 |
203 |
117 |
100 |
155 |
125 |
30 |
9 |
65 |
113 |
10 |
23,2 |
TP 132R/A |
G 1 1/4 |
G 1 1/4 |
42 |
485 |
112 |
160 |
202 |
272 |
180 |
140 |
230 |
190 |
50 |
11,5 |
100 |
183 |
14 |
53,6 |
TP 132/A |
G 1 1/4 |
G 1 1/4 |
42 |
485 |
112 |
160 |
202 |
272 |
180 |
140 |
230 |
190 |
50 |
11,5 |
100 |
183 |
14 |
58,5 |
ОБЩИЕ СВЕДЕНИЯ О ВИХРЕВЫХ НАСОСАХ T, TP
Вихревые насосы T, TP - это моноблочные насосы горизонтального одноступенчатого типа, с односторонним подводом жидкости к вихревому рабочему колесу.
Вихревые насосы применяются в системах с небольшими подачами и относительно высокими напорами. В корпусе насоса выполнена рабочая камера проточной части, представляющая собой кольцевой канал, сообщающийся с входным и выходным патрубками насоса. Перемещение жидкой среды по кольцевому каналу и придание ей необходимой энергии осуществляется рабочим колесом, представляющим собой диск с радиальными лопатками.
Данные насосы предназначены для перекачивания в стационарных условиях чистой воды без абразивных частиц и химически неагрессивных жидкостей для материалов, из которых изготовлены насосы этой серии.
ЭКСПЛУАТАЦИОННЫЕ ХАРАКТЕРИСТИКИ
- Подача до 6 м3/ч
- Напор до 165 м
ПРИМЕНЕНИЕ
- В быту для водоснабжения
- В быту для орошения садов и огородов
- Подача воды под давлением
- В автоматических насосных установках
- Подпитка котлов
- В промышленности
- В установках охлаждения
- В установках кондиционирования
- В гладильных установках
- В производствах при необходимости создания относительно высокого давления при небольшой производительности
КОНСТРУКТИВНЫЕ ОСОБЕННОСТИ
- Уплотнение вала - одинарное торцовое уплотнение – керамика/графит/ NBR.
- Корпус насоса с резьбовыми патрубками – чугун.
- Крышка корпуса – чугун или латунь.
- Рабочее колесо – латунь или бронза.
- Ведущий вал – нержавеющая сталь.
- Электродвигатель – изоляция класса F, степень защиты IP54.
Насосы с однофазными двигателями 230 В - 50 Гц с тепловой защитой, встроенной в обмотку
Насосы с трехфазным двигателем высокого класса эффективности IE2 - 230/400 В или 400/690 В – 50 Гц
ЭКСПЛУАТАЦИОННЫЕ ОГРАНИЧЕНИЯ
- Манометрическая высота всасывания до 7 м
- Температура жидкости от -10°С до +90°С (для разных серий)
- Температура окружающей среды до +40°С
- Непрерывный режим эксплуатации (S1)

