Консольно-моноблочные насосы — NSCF200-250/185
КОНСОЛЬНЫЕ НАСОСЫ ИЗ ЧУГУНА серии e-NSC
Насосы e-NSC -это центробежные насосы с осевым всасывающим и радиальным напорным патрубками, и горизонтальным валом. В стандартном исполнении корпус и рабочее колесо насосов чугунные, по запросу рабочее колесо выполняется из бронзы и нержавеющей стали.
Уплотнение - торцевое, конструкция насоса позволяет без отсоединения от трубопровода производить ремонт насоса. Области применения: в системах водоснабжения, отопления и кондиционирования, в противопожарных системах и промышленности.
Производительность этой серии до 1800 м³/ч, напор: до 160 м, Температура перекачиваемой среды: от -25°C до +140°C, в специальном исполнении: от -40°C до +180°C. Максимальное рабочее давление: 16 бар
Мощность электродвигателя от 0,25 кВт до 355 кВт (трехфазное 50 Гц)
Насосы серии e-NSC доступны в следующих конструктивных исполнениях:
- NSC -без привода
- NSCE- c удлиненным валом.
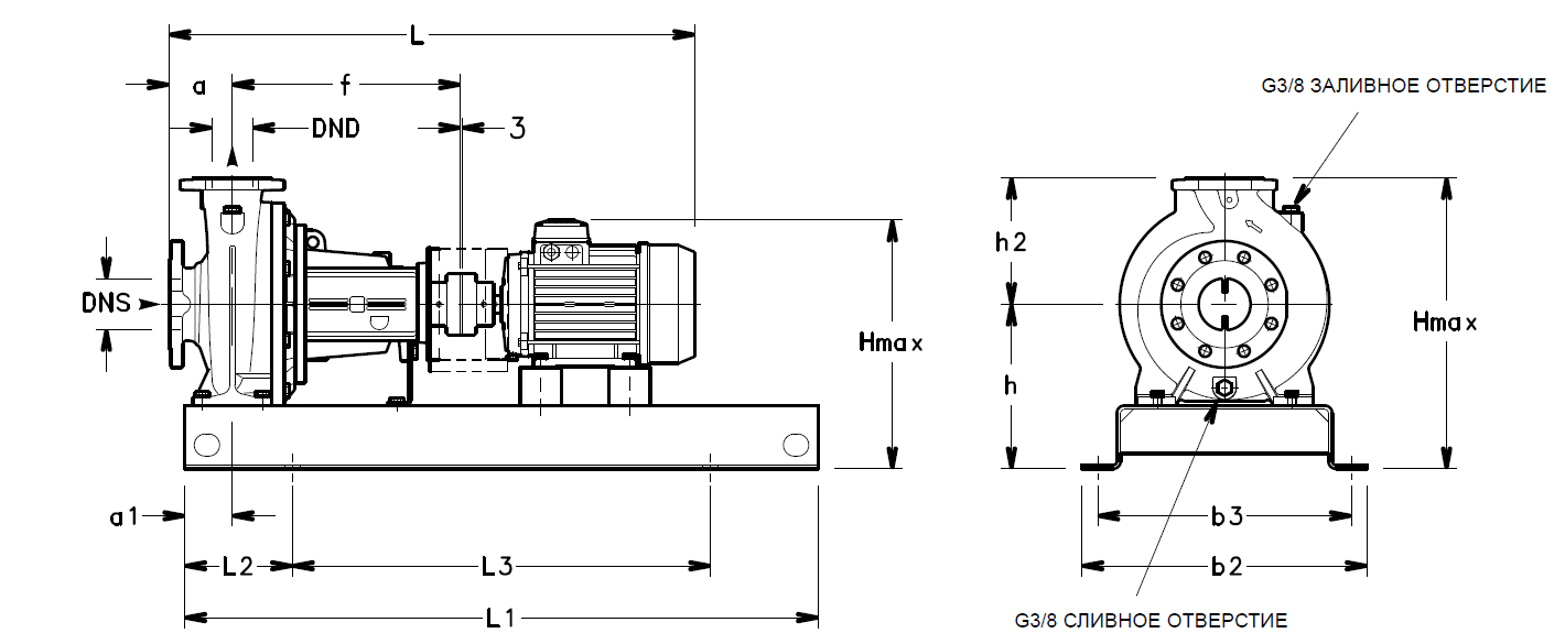
- NSCF- монтируется на раме.
- NSCS- с коротким валом.
- NSCC- монтируется на раме с распорной муфтой.
Линейка насосов типа e-NSC может использоваться с системой управления HYDROVAR для частотного регулирования работы насосы с целью энергосбережения.
Пример расшифровки типового обозначения:
NSCS 100-250/900/W25RCC4
- NSC серия ( консольный насос)
- S с проставком
- 100 диаметр нагнетательного патрубка , мм
- 250 номинальный диаметр рабочего колеса, мм
- 900 мощность двигателя 90 кВт
- W двигатель WEG IE3
- 2 2-полюсный
- 5R 50 Гц 220-240/380-415 В
- C корпус- чугун, варианты исполнения: D- ковкий чугун, N-нержавеющая сталь, R - дуплексная сталь
- C рабочее колесо - чугун, другие варианты: S- нерж. сталь, сварка, B - бронза, N- нерж. сталь, литье, R-дуплексная сталь
- 4 торцовое уплотнение Карбид кремния / Графит / EPDM.
В настоящий момент модельный ряд серии FHE, FHE, SHE, SHF, SHS снят с производства.
Выпускаются насосы NSC . Конструкция нового модельного ряда усовершенствована с
целью снижения энергопотребления и дальнейшего отрицательного воздействия на
окружающую среду и отвечает современным требованиям инженерных систем.


