Многоступенчатые насосы (MXH, MXV, MXA, MXSU) — MXH 3202/A
MXH MXH 3202/A - размеры и схема

ТИП | ПАТРУБКИ | РАЗМЕРЫ, мм | kg | ||||||||||||||
|---|---|---|---|---|---|---|---|---|---|---|---|---|---|---|---|---|---|
DN1 | DN2 | L | L1 | L2 | h3 | m1 | m2 | n1 | n2 | z | b | s | w | g1 | g2 | ||
MXH 3202/A | G 2 1/2 | G 2 | 515 | 120,5 | 233 | 290 | 205 | 175 | 180 | 140 | 15 | 54 | 10 | 112 | 6 | 38,5 | |
MXH-V MXH 3202/A - размеры и схема

ТИП | ПАТРУБКИ | РАЗМЕРЫ, мм | |||
|---|---|---|---|---|---|
DN1 | DN2 | LV | L1V | L2V | |
MXH-V 3202/A | 76,1 (DN65) | 60,3 (DN50) | 555 | 160 | 273 |
MXH-V MXH 3202/A - размеры и схема

ТИП | ПАТРУБКИ | РАЗМЕРЫ, мм | |||
|---|---|---|---|---|---|
DN1 | DN2 | LF | L1F | L2F | |
MXH-F 3202/A | 65 | 50 | 545 | 151 | 263 |
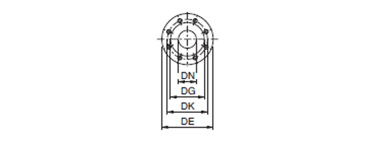
Фланец MXH 3202/A - размеры и схема

DN | РАЗМЕРЫ, мм | ОТВЕРСТИЯ | |||
|---|---|---|---|---|---|
DE | DK | DG | N. | Ф, мм | |
65 | 185 | 145 | 118 | 4 | 19 |
ОБЩИЕ СВЕДЕНИЯ О МНОГОСТУПЕНЧАТЫХ НАСОСАХ MXH 32
Консольно-моноблочные насосы MXH 32 - это консольные насосы горизонтального многоступенчатого типа с проточной частью из нержавеющей стали. Данные насосы, как и обычные консольные насосы, предназначены для перекачивания в стационарных условиях чистой воды и химически неагрессивных жидкостей для материалов, из которых изготовлены насосы этой серии.
ЭКСПЛУАТАЦИОННЫЕ ХАРАКТЕРИСТИКИ
- Подача до 50 м3/ч
- Напор до 74,5 м
ПРИМЕНЕНИЕ:
- Водоснабжение (холодное и горячее)
- Орошение садов и огородов
- В автоматических насосных станциях
- Подача воды под давлением
- Моечные установки
- Промышленность
- Сельское хозяйство
- Фонтаны
- В установках кондиционирования
- В установках охлаждения
КОНСТРУКТИВНЫЕ ОСОБЕННОСТИ
- Вход и выход у насосов – фланцевые.
- Уплотнение вала - одинарное торцовое уплотнение – керамика/уголь/EPDM.
- Корпус насоса – нержавеющая сталь AISI 304.
- Корпус каскада – нержавеющая сталь AISI 304.
- Уплотительное кольцо рабочего колеса PTFE (тефлон).
- Крышка корпуса – нержавеющая сталь AISI 304.
- Рабочие колеса – нержавеющая сталь AISI 304.
- Распорная втулка – нержавеющая сталь AISI 304.
- Ведущий вал – нержавеющая сталь.
- Пробка – нержавеющая сталь.
- Электродвигатель – изоляция класса F, степень защиты IP54. Трехфазный двигатель высокого класса эффективности IE2 от 0,75 кВт
230/400 В – 50 Гц (до 3 кВт)
400/690 В – 50 Гц (от 4 до 7,5 кВт)
ЭКСПЛУАТАЦИОННЫЕ ОГРАНИЧЕНИЯ
- Температура жидкости от -15°С до +110°С
- Температура окружающей среды до +40°С
- Максимально допустимое конечное давление в корпусе насоса 10 бар
- Непрерывный режим эксплуатации (S1)

