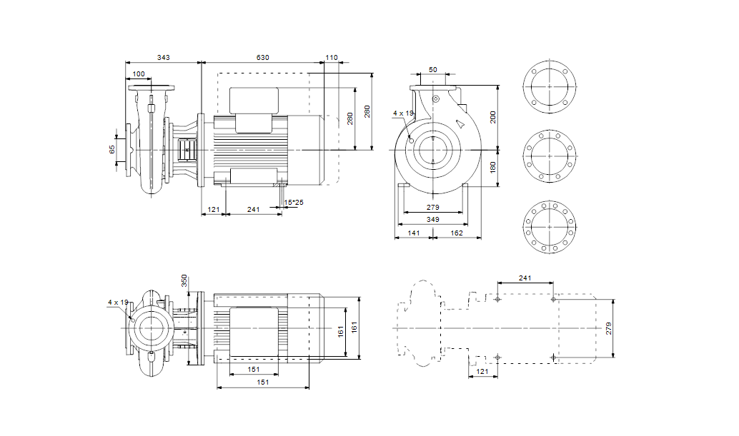
Консольно-моноблочные насосы (NB) — NB 50-200/219
Одноступенчатые консольно-моноблочные насосы NB
Насосные агрегаты Grundfos NB с односторонним всасыванием используются в водоснабжении, повышении давления в промышленности, перекачке промышленных, отопительных, кондиционирующих, вентиляционных и ирригационных жидкостей. NB Grundfos подходят для широкого спектра применений, требующих надежной и энергоэффективной работы. Основные области применения: водоснабжение, повышение давления в промышленности, перекачка промышленных жидкостей, отопление и кондиционирование воздуха, а также орошение. Серия NB – это моноблочные насосы с гибкой муфтой, которые полностью соответствуют высоким международным стандартам. Специальная конструкция позволяет производить ремонт и обслуживание насоса без демонтажа корпуса и трубопровода. Даже самые большие модели могут обслуживаться одним человеком с помощью подъемного устройства.
Применение NB 50-200/219
- теплоцентрали
- отопительные установки для многоквартирных домов
- установки кондиционирования воздуха
- системы охлаждения
- моющие установки
- другие промышленные установки
- насосы с уплотнением BAQE предназначены для перекачивания технической воды в системах отопления, вентиляции, кондиционирования.
- насосы с уплотнением GQQE предназначены для перекачивания гликольсодержащих растворов и питьевой воды.
Особенности и преимущества NB 50-200/219
- оптимальная гидравлическая система в корпусе и рабочем колесе = плавный поток жидкости
- уплотнительное кольцо между корпусом и крышкой = нет риска утечки
- корпус, рабочее колесо и уплотнительное кольцо из различных материалов = повышенная коррозионная стойкость
- для температур жидкости до 140 ° C


