- Мощность — 0.4 кВт
- Напряжение — 380 Вольт
- Номинальный вых. ток — 1.8 А
- Тип нагрузки — стандартная
- Съемый пульт — нет
Автоматика для насосов. Каскадно-частотное управление.
В наше время все более актуальным становится вопрос об экономии энерго и водных ресурсов. Вопросы подачи и отведения воды целесообразно решать совокупно с вопросами энергосбережения. Устаревшие способы регулирования подачи состоят в дросселировании напорных линий и изменении общего числа работающих насосных агрегатов. Эти способы регулировки направлены на выполнение технологических задач и совсем не учитывают энергетических моментов транспортировки жидкости. Эффективным решением является применение регулируемого электропривода как средства энергосбережения.

Когда есть необходимость регулировать поток воды в заданных пределах, можно использовать один насос, подключенный к частотному преобразователю. Однако, если границы диапазона регулирования отличаются на порядок и более, используется несколько параллельно установленных насосов, которые включаются и выключаются по мере необходимости, это и есть каскадно-частотное управление насосами. Происходит сложение мощностей первого и последующих насосов
Каскадно-частотное управление насосами это самое современное техническое решение. Системы управления насосами с частотным преобразователем значительно упрощают гидравлические схемы, так как исчезают всевозможные вентили и байпасы. Современные насосные станции выглядят почти пустыми, но поставленные им задачи решаются более эффективно.

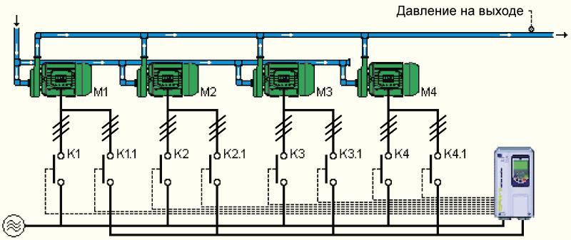
Принцип каскадного управления насосами
Существуют разные схемы подключения насосов к ПЧ, но общий принцип примерно одинаков. При запуске частотный преобразователь регулирует сначала двигатель одного насоса, пытаясь достичь заданного давления. Давление отслеживает датчик. Если производительности первого насоса не хватает, то он переключается на питание от сети и работает на полную мощность. В то же время, включается пускатель, питающий второй и последующие насосы от преобразователя частоты. Помимо рассмотренного каскадного управления могут быть схемы с переключением насосов. Это помогает уменьшить износ оборудования.
Преимущества частотного управления насосами
- Экономия электроэнергии до 40%
- Стабильное давление в напорных трубопроводах
- Продление срока службы насосного оборудования и трубопроводной системы
- Снижение аварийности





